8 CPU的结构和工作模式
8.1 计算机体系结构
冯诺依曼结构和哈佛结构的区别:后者的指令和数据存在不同的Memory
计算机的基本组成
- 存储器(Memory)
- 运算器(Arithmetic Unit):包含累加器(Accumulator)和ALU
- 控制器(Control Unit)
- 输入/输出设备(I/O Device)
将运算器和控制器称为CPU,将CPU和存储器称为主机,将I/O称为外设
微机的基本结构
和计算机没有本质区别,只是CPU采用集成化的微处理器,各部件通过总线相连
8.2 8086CPU的构成
由两部分组成:
- 总线接口单元:BUs Interface Unit,BUI
- 指令执行单元:Execution Unit,EU
BIU和EU独立,取指和执行可以同时进行(流水线)
外部引脚

其中AD指Address/Data,8086的地址总线宽20bit,共20根(AD0 - A19),其中AD0-AD15是地址和数据复用,A16-A19是地址和状态复用
与中断有关的引脚
- INTR:可屏蔽中断请求(Request)信号,当
IF=0时不读取,当IF=1, INTR=1时,执行中断 - NMI:不可屏蔽中断(Non-Maskable)
- \(\overline{\mathsf{INTA}}\):中断响应信号(Acknowledge),在CPU响应外部的可屏蔽中断后向外设发送的应答
RESET引脚
这是复位信号,至少要维持4个时钟周期
复位后CPU停止所有操作,总线无效
设置DS,ES,SS,FLAGS,IF = 0,CS:IP = FFFF:0000;指令队列清空,禁止中断
复位结束,CPU执行重启过程
8.3 CPU的工作模式
当MN/MX接+5V时,CPU工作在最小模式,是单处理器系统;当接地时,处于最大模式,支持构成多处理器系统
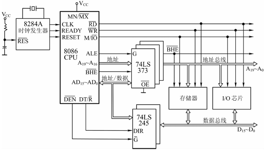
最小模式
送到存储器和I/O接口的所有信号都是CPU自身产生的

使用3个74LS373(8位地址锁存器)和2个74LS245(8位双向数据总线缓冲器),一个时钟发生器8284A
锁存器:2片与AD0-AD15连接,1片与A16/S3-A19/S6, BHE/S7连接
为什么是这个数量?
8086地址总线有20位,8*3=24才够;数据总线16位,8*2就够了
为什么需要锁存器?
在数据和地址线复用的情况下,地址信息可能被数据信息干扰,在总线上先传地址,锁存,再传数据/状态信号
为什么需要缓冲器?
作为双向的数据总线接收器;协调高速CPU和慢速外设的速度差;提高驱动能力;隔离后级电路
时钟提供了什么?
系统时钟;复位信号(CPU重启);READY信号;供外设使用的时钟信号
注意,这个芯片可以外接时钟,输出外接时钟的信号,对于8086来说,就是用的外接15/24MHz信号经过8284A3分频后产生的5/8MHz信号作为时钟
最大模式
某些控制信号有8288总线控制器产生
最大模式主要用于解决总线的共享控制和产生总线控制信号
需要增加一片总线控制器8288
8.4 CPU的总线时序
总线操作时序
CPU读写一次的时间叫做总线周期
执行一条指令的时间交指令周期,一个指令周期可包含若干个总线周期
1个总线周期需要4个系统的时钟周期(\(T_1\)-\(T_4\)),时钟周期是8086CPU动作的最小单位
在5MHz时钟频率下,一个总线周期为800ns
最小模式下的读总线周期
CPU读取一个数据的时序逻辑

最小模式下的写总线周期
CPU写入一个数据的时序逻辑

最大模式下的读/写总线周期
没有M/IO信号,使用MEMR和IOR来区分是存储器还是I/O