2 物理量传感器
2.1 电阻式传感器
2.1.1 应用
一个典型的应用是测量血压
正常的血压范围:90/60 mmHg ~ 140/90 mmHg
当外界施加的压力与血压相等时,产生共振,发出的信号幅度最大
一个典型的血压仪框图如图

其中气压传感器如下

如何设计
先查标准,血压仪的测量范围要在4000 -- -400 mmHg,保护用
2.1.2 电阻应变式传感器
2.1.2.1 电阻应变效应
电阻的计算公式为\(R=\rho\frac{l}{s}\),很显然对于\(\rho,l\),R的响应是线性的,而s是非线性的
对上式取对数并求导得到
\[
\frac{dR}{R}=\frac{d\rho}{\rho}+\frac{dl}{l}-\frac{ds}{s}
\]
其中\(\frac{dl}{l}=\varepsilon\)为正应变,由于正应变与切应变满足\(\tau=-\mu\varepsilon\),即\(\frac{dr}{r}=-\mu\frac{dl}{l}\)
对\(s=\pi r^2\)取对数求导得到\(\frac{ds}{s}=2\frac{dr}{r}=-2\mu\frac{dl}{l}\)
\(\frac{d\rho}{\rho}=\pi_l\sigma=\pi_lE\varepsilon\),其中\(\pi_l\)为材料沿某晶向的压阻系数,金属约为0,半导体不为0;\(\sigma\)是应力,\(E\)是杨氏模量
将上面格式带入原式,得到
\[
\frac{dR}{R}=(\pi_lE+1+2\mu)\frac{\sigma}{E}=(\pi_lE+1+2\mu)\varepsilon
\]
称为电阻应变效应
将电阻丝的灵敏度定义为单位应变引起的电阻相对变化,计算灵敏度
金属:测量范围广,线性度高
半导体:灵敏度高,温漂大
2.1.2.2 电阻应变片
通常长这样

中间绕很多层可以增加正应变,增大电阻变化
优缺点
优点
- 测量范围广
- 结构简单
- 便宜,多样
缺点
- 易产生温漂和零漂:电阻发热
- 对于大应变有较大的非线性,但是可以补偿
- 输出易受环境影响
- 高功耗
电阻式传感器在自动测试和控制技术中广泛应用
温漂补偿
- 单丝自补偿应变片
- 双丝组合式自补偿应变片
- 电路补偿(最常用)
其中2的方法具体是

补偿片不在拉伸方向上,产生的应变可以不计,但是二者的温漂是一致的,差分得到结果
2.1.3 电桥

电桥平衡条件:\(R_1R_4 = R_2R_3\)
负载\(R_L\)很大,可以视为断路,此时的\(U_0\)为
\[
U_0 = U_E \frac{R_1R_4-R_2R_3}{(R_1+R_4)(R_2+R_3)}
\]
定义平衡时的桥臂比\(n = \frac{R_2}{R_1}=\frac{R_4}{R_3}\)
若\(R_1\)是电阻传感器,其他是定值电阻,定义\(\delta_R = \frac{\Delta R}{R_1}\),那么有
\[
U_0 = U_E \frac{n\delta_R}{(1+n)(1+\delta_R+n)}
\]
由上文,\(\delta_R = K_s \varepsilon\),这个值往往很小,有\(\delta_R < < 1\),那么有
\[
U_0^{'} = U_E \frac{n}{(1+n)^2}\cdot \delta_R
\]
定义灵敏度\(K_U = \frac{U_0}{\delta_R}=\frac{n}{(1+n)^2}U_E\),显然\(n=1\)时取最大值,\(U_E\)不能过大(温漂压不住)
这样近似的非线性误差为
\[
\gamma = \left|\frac{ U_0 -U_0^{'}}{U_0^{'}} \right| = \frac{\delta_R}{1+\delta_R+n}
\]
是比较小的
上面是单臂电桥,还有其他的

都是\(n=1\)
半桥
\[
U_0 = U_E\left(\frac{R+\Delta R}{2R}-\frac{R}{2R}\right)=U_E\frac{\Delta R}{2R}
\]
无非线性误差,灵敏度是单臂的2倍,还有温度补偿作用
全桥
\[
U_0 = U_E\left(\frac{R+\Delta R}{2R}-\frac{R-\Delta R}{2R}\right)=U_E\frac{\Delta R}{R}
\]
无非线性误差,灵敏度是单臂的4倍,有温度补偿作用
\(U_o\)一般都比较小,需要直流放大器,但是直流的电路容易零漂,因此就有了交流电桥
2.2 电容式传感器
2.2.1 应用
触摸屏,麦克风
电容式心音传感器
助听器,一般使用驻极体作为电容材料,没有电压也有电荷存在,减小能耗
2.2.2 电容传感器

不考虑边缘效应,\(C=\frac{Q}{U}\),用高斯定理可得,平行板电容器\(C=\frac{\varepsilon S}{d}\)
当极板受压时,极板间距\(d\)发生变化,导致电容C的变化,\(C^{'} = \frac{\varepsilon S}{d-\Delta d}\),\(\Delta C =C^{'}-C_0=C_0\frac{\Delta d/d}{1-\Delta d/d}\)
得到
\[
\Delta C /C_0=\frac{\Delta d/d}{1-\Delta d/d}=\frac{\Delta d}{d}\sum_{n=0}^{+\infty} \left(\frac{\Delta d}{d}\right)^n=\frac{\Delta d}{d}\cdot\left(1+\frac{\Delta d}{d}+\left(\frac{\Delta d}{d}\right)^2+\ldots\right)
\]
可以发现C与d是非线性的关系
当\(\Delta d<< d_0\)时,可以近似舍去2次及以上项,得到
\[
\frac{\Delta C}{C}=\frac{\Delta d}{d}
\]
灵敏度\(K=\frac{\Delta C /C_0}{\Delta d }=\frac{1}{d}\mathsf{mm^{-1}}\)或\(K=\frac{\Delta C /C_0}{\Delta d /d}=1\),后者无量纲
由此近似的模型在\((0,\Delta d)\)内的非线性误差(与保留到二次项对比)为\(\delta = (\frac{\Delta d}{d})^2/\frac{\Delta d}{d}=\frac{\Delta d}{d}\),发现d相对Δd越大,线性度越好
为什么不用电阻式的分析方式?
那样可以很容易看出灵敏度K,但是看不出非线性误差δ
定义的变化量也不同,电阻定义应变\(\varepsilon=\frac{\Delta l }{l}\),而电容使用的是\(\Delta d\)
那样分析也存在误差
2.2.3 差动变极距型电容式传感器

\[ \Delta C_1 /C_0=\frac{\Delta d}{d}\cdot\left(1+\frac{\Delta d}{d}+\left(\frac{\Delta d}{d}\right)^2+\ldots\right)\\ \Delta C_2 /C_0=-\frac{\Delta d}{d}\cdot\left(1-\frac{\Delta d}{d}+\left(\frac{\Delta d}{d}\right)^2+\ldots\right) \]
用差分电路检测两个电容的差值\(\Delta C_1/C_0-\Delta C_2/C_0\),得到
\[
\Delta C_1/C_0-\Delta C_2/C_0=2\frac{\Delta d}{d}\cdot\left(1+\left(\frac{\Delta d}{d}\right)^2+\ldots\right)
\]
灵敏度\(K=\frac{2}{d}\),非线性误差\(\delta = \left( \frac{\Delta d}{d}\right)^2\)
这是假设向\(C_1\)移动
2.2.4 差动传感器材料和结构选择
\(d_0\)较小,灵敏度高;过小则容易引起击穿
极板间使用高介电常数材料(云母),此时\(C=\frac{S}{\frac{d_g}{\varepsilon_g \varepsilon_0}+\frac{d_0}{\varepsilon_0}}\),由于\(\frac{d_g}{\varepsilon_g \varepsilon_0}\)是常数,这可以让非线性误差减小
2.2.5 变面积和变介质式传感器
变面积式
可以横向位移,\(C=\frac{\varepsilon b x}{d}\),b为宽度,x可变
\[
\Delta C = \frac{\varepsilon b}{d}\Delta x
\]
是线性的,\(K=\frac{\Delta C}{\Delta x}=\frac{\varepsilon b}{d}=\mathsf{const}\)
变介质式

视为两个电容并联,\(C=\frac{\varepsilon_0}{d}(\varepsilon_{r1}(l_0-l)b+\varepsilon_{r2}lb)\)
若右边是空气且\(l\)一开始为0,则
\[
\frac{\Delta C}{C_0}=\frac{(\varepsilon_{r2}-1)\Delta l}{l_0}
\]
是线性的
2.2.6 电容式传感器优缺点
优点
- 温漂小(发热小)
- 结构简单
- 动态响应好
- 非接触式
- 能耗低
缺点
- 阻抗大,带载能力弱
- 寄生电容影响
- 非线性,测量范围小
- 成本高
2.3 光电式传感器
2.3.1 应用
典型应用是血氧仪
原理如下:
血液是胶体,当光通过均匀无散射的溶液时,溶液的透光系数如下
\[
T = \frac{I}{I_0}=10^{-acl}\\
A = -\lg\frac{I}{I_0} =-\lg{T}=acl
\]
其中a是液体吸光系数,c是溶液摩尔浓度,l是光程
血液中存在两种红细胞,一种富氧,一种乏氧,富氧细胞占总细胞的百分数即为血氧值,记为\(\mathsf{SaO_2}\)
血液的总吸光系数为\(a=a_o\mathsf{SaO_2}+a_H(1-\mathsf{SaO_2})\),其中\(a_o\)是富氧的系数,\(a_H\)是乏氧的系数
使用两个波长的光对样品进行检测,得到
\[
\lambda_1 : A_1 = \left[(a_o-a_H)\mathsf{SaO_2}+a_H\right]cl\\
\lambda_2 : A_2 = \left[(b_o-b_H)\mathsf{SaO_2}+b_H\right]cl\\
Q = \frac{A_1}{A_2} = \frac{\left[(a_o-a_H)\mathsf{SaO_2}+a_H\right]}{\left[(b_o-b_H)\mathsf{SaO_2}+b_H\right]}
\]
得到\(\mathsf{SaO_2}\)的值为
\[
\mathsf{SaO_2}=\frac{a_H-Qb_H}{(b_o-b_H)Q-(a_o-a_H)}
\]
要使传感器是线性的,就让\(b_o=b_H=b\),选择合适的波长的光可以做到,得到最终表达式
\[
\mathsf{SaO_2} = \frac{b}{a_o-a_H}Q-\frac{a_H}{a_o-a_H}
\]
2.3.2 内光电效应
当半导体材料受光照时,对光子的吸收会在材料内部激发电子-空穴对,使物体的电导率变化或产生光电动势,分别对应光电导效应和光生伏特效应
2.3.2.1 光电导效应
光电导体受光线作用,其电导率发生变化
本质是价带中的电子受到能量大于或等于禁带宽度的光子轰击,使其跃入导带,导带中的电子和价带中的空穴浓度增加,电导率变大

应用:光敏电阻,光导管
2.3.2.2 光生伏特效应
光线作用下,半导体或电介质产生一定方向的电动势
在PN结及附近吸收足够能量的光子后,产生载流子,在内电场(耗尽层,N指向P)作用下,电子由P区涌入N区,空穴相反,使得P区带正电,N区带负电,并在外回路产生电流

应用:光电池,光敏二极管
2.3.3 外光电效应
光子能量足够大,使物质表面逸出电子
\[
h\nu = \frac{1}{2}mv_m^2+\phi
\]
不赘述
应用:光电管,光电倍增管
2.3.4 光电式传感器的特性参数
灵敏度
定义为输出信号\(S\)的变化量与入射光功率变化量\(P_s\)之比
\[
K = \frac{\Delta S}{\Delta P_s}=\frac{\Delta S}{\Delta H A_d}
\]
其中H是辐照度变化,Ad是受光面积
光谱特性
传感器的灵敏度和入射光波长的关系

线性度
输出信号与输入光功率成线性比例的程度和范围
响应时间
对入射光变化的响应快慢,是叫时间常数
等效噪声功率
产生强度正好等于传感器的噪声输出值的辐射功率,用NEP表示,是表征传感器的品质优劣的重要参数
\[
NEP = P_s\frac{S}{N}
\]
其中S/N是信号/噪声的有效值(方均根),S/N是信噪比,NEP越小,性能越好

还有其他传感器都有的特性
2.3.5 光电敏感器件
2.3.5.1 光敏电阻
使用半导体材料制成的电阻,光照作用于半导体时,载流子密度发生变化,电导率变化(光电导效应)
光敏电阻没有极性,可以加交流电
结构示意图如下

参数
暗电阻:不受光时的阻值,很大(MΩ),此时的电流是暗电流
亮电阻:受光照射的阻值,比较小(kΩ),亮电流
光电流:亮电流 - 暗电流
希望暗电阻越大、亮电阻越小越好
特性
伏安特性:在一定照度下的伏安关系。在一定电压范围,I-U为直线;入射光不同,I-U斜率不同
光谱特性:光敏电阻的相对灵敏度与入射波长的关系
温度特性:影响光谱响应、灵敏度和暗电阻等
优点:灵敏度高;光谱响应范围宽
缺点:强光下线性度差;光电弛豫时间长;频率响应低;发热
2.3.5.2 光电管
光线照射到金属感光材料时,有电子逸出(外光电效应),在外加电场作用下移动到阳极,在光电管内部产生电子流,在外电路产生电流
光电子数目(电流大小)与光照强度有关

中间是阳极,四周是金属感光材料的阴极
特性
伏安特性:光通量一定时的I-U关系
光电特性:电压一定时,光通量(流明)与光电流的关系
光谱特性:在单位辐照通量(w)下,不同波长的光照射光电管时产生的饱和光电流和光波波长的关系,主要取决于阴极材料

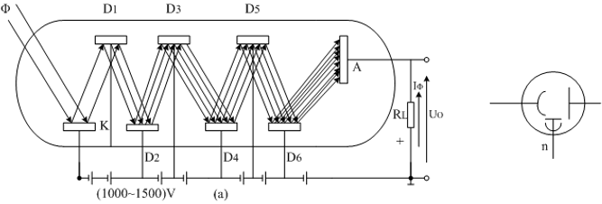
2.3.5.3 光电倍增管
一个阴极,多个阳极
从阴极K上逸出的光电子被第一倍增极D1加速,高速轰击D1,使D1表面逸出更多二次电子,逐级前进,直到最后的阳极A

由光阴极K,次阴极(倍增电极Dn),阳极A组成
特性
灵敏度:每单位光通量使阳极产生的饱和光电流(入射一个光子后在阳极上能收集到的平均光电子数目),衡量探测能力;光电倍增管的灵敏度极高,设\(n\)个次阴极,每个次阴极二次电子发射倍增率为\(\delta\),总共增大\(\delta^n\)倍
光谱特性:对不同频率的入射光的灵敏度,故描述灵敏度时需要指明光波长
暗电流:没有光照,但是有电压时的电流大小,由热发射或场致发射造成,可用补偿电路消除;决定了PMT的可检测光通量的阈值
伏安特性:与光电管类似
磁特性:磁场会使电子轨迹偏移
应用
分光光度计,γ射线探测(pet),各种荧光显微镜的检测端,流式细胞仪
2.3.5.4 光电池
利用光生伏特效应,半导体内部产生光生电动势,可以储能
2.3.5.5 光纤
设纤维芯和覆盖层的折射率分别为\(n_1,n_2\),角度定义为与光纤轴的偏角(即在界面入射角的余角),定义\(\theta_0\)为临界角,有
\[
\cos{\theta_0} = \frac{n_2}{n_1}
\]
定义数值孔径\(N.A. = n_1\sin{\theta_0} = \sqrt{n_1^2 - n_2^2}\),反应了光纤对入射光的吸收能力,越大越好
为什么这样定义?因为这样的话使得\(N.A.\)与\(\theta_0\)正相关
2.4 压电式传感器

2.4.1 应用
机器人的表面仿生皮肤,拥有了触觉
2.4.2 压电效应
压电效应:一些非中心对称的晶体,在外界压力作用下内部产生极化,在两个表面上产生等量异种电荷;外力消失后,电荷中和;电荷量大小正比于外力大小
逆压电效应:外部附加交变电场产生机械形变
本质上是介质极化产生电偶极矩,一般都是各向异性的晶体
表面电荷密度的公式为
\[
\delta _i = d_{ij} \cdot \sigma _j=d_{ij} \frac{F_j}{A_j}
\]
其中\(d_{ij}\)为压电系数,表示在\(j\)方向上受力而在\(i\)方向上产生电荷
2.4.3 常见材料
石英:不是任何方向都有,而且不是很大
钛酸钡:第一个压电陶瓷材料
锆钛酸铅:PZT,性能比钛酸钡好
2.4.4 应用
特点:频带宽,灵敏度和信噪比高,结构简单,工作可靠
压电振子
在材料上铺设激励和接收电极,在激励电极上施加电信号,利用逆压电效应产生机械形变
可以产生位移,也在光电传感器中作为精密微调环节(位移台)
石英微天平
一层吸附膜可以吸附被探测物体,吸附后膜的总质量变化,固有频率改变,引起谐振频率的改变
加入不同频率的交流电可以测量谐振频率
精度很高
2.5 热电式传感器
2.5.1 应用
典型应用是电子体温计和温度报警器
2.5.2 原理
信号转换过程为:温度\(\rightarrow\)电阻\(\rightarrow\)电压
金属热电阻
金属的电阻率随温度变化,经验公式为\(R_T = R_0[1+\alpha(T-T_0)]\),没啥用
常用材料:铂(稳定,标准,贵);铜(工业,便宜);铁,镍(高灵敏)
半导体热敏电阻
一些金属氧化物,分为三类

PTC:B<0,可以作为限流元件
NTC:B>0,变化的范围广,测温,线性度好
CTR:在某个临界温度变化极快,灵敏度高,响应快,分辨率高,适合测量微弱的温度变化,但是线性度差
伏安特性
在不同温度下的电压电流曲线

2.5.3 热电偶传感器
两种不同的金属导体组成闭合回路,两端产生温度差,电子的运动产生差异,热运动快的电子扩散向另一端,产生了一个空间电场区
由于是导体,有电势差就有电流

其中参考端的温度已知,根据电流/电势大小可以粗略测量温差
这是一个无源元件,不需要额外供能,结构简单,测量范围宽,但是灵敏度低
响应曲线近似表达为
\[
E_{AB}(T, T_0) = a(T-T_0)+b(T^2-T_0^2)
\]
2.5.4 其他热电式传感器
温敏三极管和外围电路集成在一个芯片上,构成独立的温度传感器
热辐射传感器,不同温度的波源产生的热辐射的波长不同,在内部存在一个热电偶堆,热电偶串联,电势加强
总结起来,热电式传感器的工作原理如下

几种热电式传感器对比
热敏电阻:
- 原理:半导体材料的电阻随温度变化,主要因素是载流子浓度和迁移率随温度的变化关系
- 温度变化特性:分为三类,但都是非线性
- 负温度系数(NTC)热敏电阻,随温度上升,电阻值减小
- 正温度系数(PTC)热敏电阻,随温度上升,电阻值增加
- 临界温度系数(CTR)热敏电阻,当温度升高到某临界点时,电阻值突然下降
- 测量范围:相对来说最小
- 灵敏度:相对来说最高
- 精度:三者的中间水平
RTD热电阻:
- 原理:由线圈或纯金属沉积膜组成,电阻以已知且可重复的方式随温度变化
- 温度变化特性:几乎是纯线性,正温度系数
- 测量范围:三者的中间水平
- 灵敏度:三者的中间水平
- 精度:相对来说最高
热电偶:
- 原理:当热电偶的两端处于不同温度时,两种不同的金属的连接产生可测量的电压
- 温度变化特性:非线性
- 测量范围:相对来说最大
- 灵敏度:相对来说最低
- 精度:相对来说最低